Скорочений опис
Документація tda7385 pdf TDA7385 – 4 x 42W Quad Bridge Car Radio Amplifier Опис: TDA7385 - високоякісний 4-канальний аудіо потужнісний підсилювач класу AB, призначений для використання в автомобільних радіо.... Читати далі...
Характеристики
Документація tda7385 pdf
TDA7385 – 4 x 42W Quad Bridge Car Radio Amplifier
Опис:
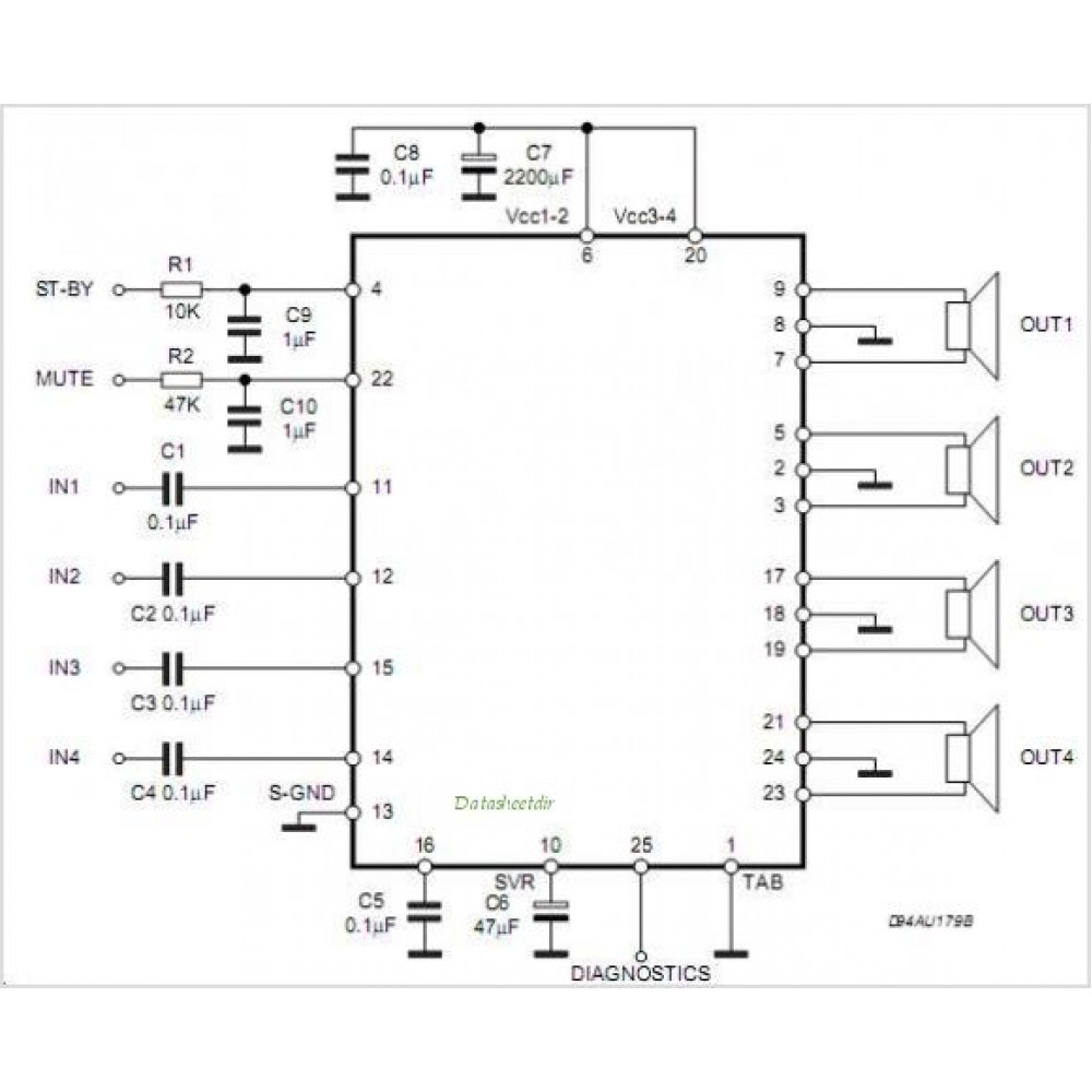
TDA7385 - високоякісний 4-канальний аудіо потужнісний підсилювач класу AB, призначений для використання в автомобільних радіо. Він підтримує максимальну вихідну потужність 4 x 42W при 4 Ω, забезпечує низьке спотворення та шум, а також має вбудовану систему діагностики для виявлення коротких замикань та перегріву.
Основні характеристики:
- Число каналів: 4 канали (Quad Bridge)
- Вихідна потужність:
- 4 x 42 W / 4 Ω max.
- 4 x 23 W / 4 Ω при 14.4 V (THD = 10%)
- Захист: захист від короткого замикання, перегріву, перенапруги, помилок підключення
- Функції: виявлення клипінгу, функції Standby та Mute
- Генерація шуму: дуже низький рівень шуму
- Стабільність: не потребує зовнішніх компенсуючих елементів, таких як R-C кола
Технічні характеристики:
| Параметр | Значення |
|---|---|
| Напруга живлення (макс.) | 18 В |
| Максимальний пік струму | 5.5 А |
| Падіння потужності (макс.) | 80 Вт |
| Коефіцієнт підсилення | 26 dB |
| Вихідна потужність (THD = 1%) | 19 Вт при 14.4 V |
| Вихідне спотворення (THD) | 0.04% при 4 Вт |
| Споживання в режимі Standby | 15 мкА |
Захист і діагностика:
- Виявлення кліпінгу в підсилювачі
- Захист від короткого замикання на виходах
- Термальний захист
- Виявлення помилок у підключенні (вихід на землю, вихід на живлення)
Інструкція:
- Підключіть підсилювач до джерела живлення та динаміків.
- Використовуйте вхідний сигнал для активації роботи.
- Активуйте функцію Standby або Mute для управління звуком.
- Перевірте виходи за допомогою діагностичних індикаторів для виявлення потенційних проблем.
підсилювач для автомобільного радіо, аудіо підсилювач класу AB, 4 канали підсилювача, підсилювач з вбудованою діагностикою, підсилювач для автомобільного звуку, потужний підсилювач TDA7385.
підсилювач для радіо, автомобільний підсилювач звуку, підсилювач TDA7385, підсилювач класу AB, високий вихідний звук, захист підсилювача.
| Електронні компоненти | |
| Корпус | Flexiwatt25 |
| Аналоги | |
| Тип | Підсилювач низької частоти |
| Потужність, Вт | 4 X 42 Вт |
| Напруга, В | 18.0 Вольт |

Маршрутизатори
Смарт приставки
Т2 приставки
Пульти керування ДУ

















